VPG Revere SHB Stainless Steel Single-Ended Beam Load Cell

Constructed of stainless steel and features a welded seal for tough industrial environments where high accuracy and low profiles are required. Capacities range from 20 kg to 200 kg. Complete with 10 ft of load cell cable.

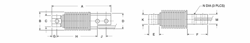
Rated Capacity A B C D E F G H J K M N
kg/mm
20 to 200 120.0 38.0 22.9 31.7 21.2 42.0 10.0 82.0 18.0 20.0 20.0 8.20

Description

Full Scale Output:
2.0 mV/V

Output Resistance:
350 (± 3.5) ohm

Input Resistance:
460 (± 3.5) ohm

Material/Finish:
Stainless steel

Temperature:
Compensated range
14 °F to 104 °F (-10 °C to 40 °C)
Operating range
0 °F to 150 °F (-18 °C to 65 °C)

Seal Type:
Welded-seal, IP67

Safe Overload:
150% full scale

Rated Excitation:
5 to 10 VDC (15 V maximum)

Combined Error:
0.02% full scale (SHB-A3)

Non-repeatability:
0.01% full scale

Insulation Resistance:
5,000 megohm

Deflection at Capacity:
0.4 mm

Cable Length:
10 ft

Cable Color Code:
Green +Excitation
Black –Excitation
White +Signal
Red –Signal

Warranty:
One-year limited

Approvals:
cFMus
NTEP

Downloads